Магазин запчастей для бытовой техники - Arlos
Москва
close
Выберите ваш регион
АбаканАлександровАльметьевскАнгарскАрзамасАрмавирАртемАрхангельскАстраханьАчинскБалаковоБалашихаБеларусьБелгородБердскБерезникиБийскБлаговещенскБратскБрянскВеликий НовгородВидноеВладивостокВладикавказВладимирВолгоградВолгодонскВолжскийВологдаВолховВоркутаВоронежВоскресенскВыборгГатчинаГеленджикГрозныйДедовскДербентДзержинскДзержинскийДимитровградДмитровДолгопрудныйДомодедовоДонецкЕвпаторияЕгорьевскЕкатеринбургЕлецЕссентукиЖелезногорскЖелезнодорожныйЖуковскийЗеленоградЗлатоустИвановоИвантеевкаИжевскИркутскИстраЙошкар-ОлаКазаньКалининградКалугаКаменск-УральскийКамышинКаспийскКемеровоКерчьКировКисловодскКлинКовровКоломнаКомсомольск-на-АмуреКопейскКоролёвКостромаКотельникиКрасногорскКраснодарКраснознаменскКрасноярскКурганКурскКызылЛенинск-КузнецкийЛипецкЛобняЛыткариноЛюберцыМагнитогорскМайкопМалаховкаМахачкалаМиассМоскваМурманскМуромМытищиНабережные ЧелныНазраньНальчикНаро-ФоминскНахабиноНаходкаНевинномысскНефтекамскНефтеюганскНижневартовскНижнекамскНижний НовгородНижний ТагилНовокузнецкНовокуйбышевскНовомосковскНовороссийскНовосибирскНовоуральскНовочебоксарскНовочеркасскНовошахтинскНовый УренгойНогинскНорильскНоябрьскОбнинскОдинцовоОктябрьскийОмскОрелОренбургОрехово-ЗуевоОрскПавловский ПосадПензаПервоуральскПермьПетрозаводскПетропавловск-КамчатскийПодольскПрокопьевскПсковПушкиноПятигорскРаменскоеРеутовРостов-на-ДонуРубцовскРыбинскРязаньСакиСалаватСамараСанкт-ПетербургСаранскСаратовСевастопольСеверодвинскСеверскСергиев ПосадСерпуховСимферопольСмоленскСосновый БорСочиСтавропольСтарый ОсколСтерлитамакСтупиноСургутСызраньСыктывкарТаганрогТамбовТверьТихвинТольяттиТомилиноТомскТроицкТулаТюменьУлан-УдэУльяновскУссурийскУсть-ИлимскУфаУхтаФеодосияФрязиноХабаровскХанты-МансийскХасавюртХимкиЧебоксарыЧелябинскЧереповецЧеркесскЧеховЧитаШахтыЩелковоЭлектростальЭлистаЭнгельсЮжно-СахалинскЯкутскЯлтаЯрославль
  • - бесплатно по РФ
    Автоперезвон. Работает по принципу: Вы позвонили на номер, мы сбрасываем звонок и перезваниваем через 3 секунды.
  • - по Москве
  • 8 (925) 663-83-63

Call-центр

пн-вс: 10:00-19:00

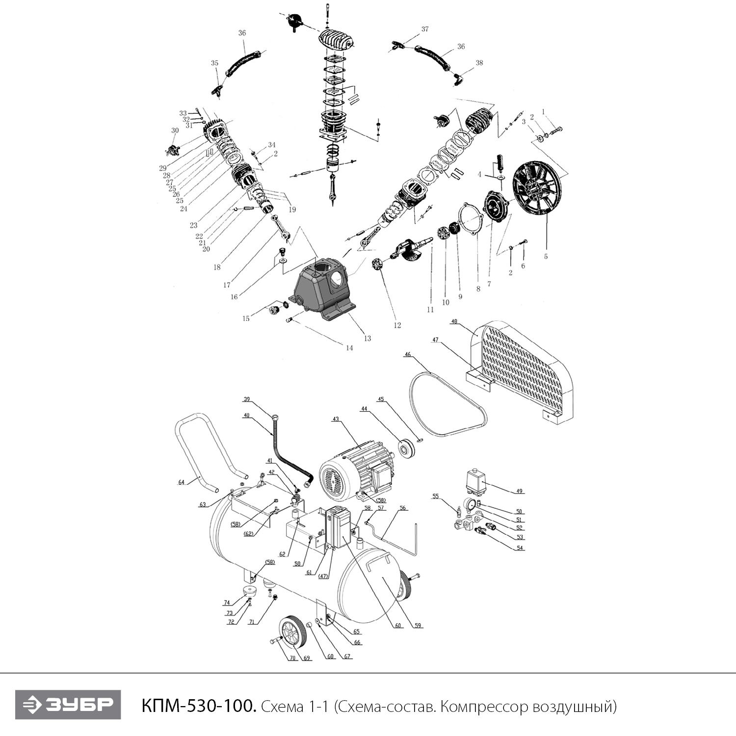
Компрессор электрический масляный КПМ-530-100

Данная модель имеет несколько схем

NАртикулНазваниеСрок отгрузкиЦенаКупить
1 N000-031-797 Болт M8х30 специальный с фланцем
2 N000-018-463 Шайба пружинная D8
4 N000-031-798 Пробка-сапун D17х38 M12х1 59 р.
5 N000-031-799 Шкив ведомый D265хd24хh35(62) 2.335 р.
7 N000-031-800 Опора подшипника 983 р.
8 N000-031-801 Прокладка подшипника 44 р.
9 N000-031-802 Кольцо уплотнительное 59 р.
10 U009-620-4RS Подшипник шариковый 6204-2RS (47х20х14) ZYTL 429 р.
11 N000-031-803 Вал коленчатый 1.874 р.
12 U009-620-5RS Подшипник шариковый 6205-2RS (52х25х15) JT 644 р.
13 N000-031-804 Картер 3.958 р.
14 N000-031-805 Пробка сливная 1/8 41 р.
15 N000-031-806 Пробка уровня масла 1/2 114 р.
16 N000-031-807 Фильтр масляный 36 р.
17 N000-031-808 Шатун D30хd14.5х108 357 р.
18 N000-031-809 Поршень D65 458 р.
19 N000-031-810 Кольца поршневые и маслосъемные D65 (набор 3 шт) 288 р.
20 N000-031-811 Палец поршневой D14.5х57 103 р.
21 N000-031-812 Стопорное кольцо пальца поршня 20 р.
22 N000-031-813 Прокладка цилиндра 96 р.
23 N000-031-814 Цилиндр 1.486 р.
24 N000-031-815 Прокладка диска клапанов D86хd66 96 р.
25 N000-031-816 Диск клапанов 695 р.
26 N000-031-817 Прокладка клапана внутренняя 114 р.
27 N000-031-818 Пластина клапанная 57x11 мм 26 р.
28 N000-031-819 Прокладка крышки цилиндра D86хd69 96 р.
29 N000-031-820 Крышка цилиндра 1.132 р.
30 N000-031-821 Фильтр воздушный в сборе 230 р.
31 N000-018-819 Шайба D4
33 N000-031-822 Крышка M6х45
35 N000-031-823 Штуцер тип-T 285 р.
36 N000-031-824 Трубка радиатор D12х230 386 р.
37 N000-031-825 Штуцер тип-T 285 р.
38 N000-031-826 Штуцер угловой 258 р.
39 N000-031-827 Гайка выпускного патрубка 3/4-16
40 N000-031-828 Трубка радиатор D12х480 683 р.
41 N000-031-829 Коннектор 1/8 107 р.
42 N000-031-830 Клапан обратный 1/2х3/4 562 р.
43 V000-001-706 Электродвигатель асинхронный в сборе 380В 3кВт
43.1 N000-031-831 Реле тепловое 367 р.
43.2 U353-200-004 Кожух защитный крыльчатки электродвигателя 87 р.
44 N000-031-832 Шкив ведущий D88хd28хh33 891 р.
45 N000-031-833 Ключ 8х30
46 N000-019-205 Ремень клиновой A-1219 Li 311 р.
47 N000-022-217 Цепочка
48 N000-031-835 Кожух ремня 1.857 р.
49 N000-031-836 Реле давления 6-8bar 1 hole 1/4 917 р.
51 N000-031-837 Манометр 16bar (D40 1/8″ папа резьба сзади) 466 р.
52 N000-031-838 Коннектор мульти 965 р.
53 N000-031-752 Муфта быстроразъемная 1/4″ 429 р.
54 N000-031-839 Кран шаровый 415 р.
55 N000-031-840 Клапан предохранительный 227 р.
56 N000-031-841 Труба выходная 126 р.
57 N000-031-842 Труба выходная под гайку M10х1
58 N000-031-886 Статор АД в сборе с корпусом 15.343 р.
59 N000-031-843 Рессивер 100л
60 N000-031-844 Контактор CJX2 1210 с корпусом в сборе 4.169 р.
61 N000-031-845 Короб
63 N000-008-966 Болт M8x10
64 N000-031-846 Ручка 188 р.
65 N000-027-620 Гайка М10
66 N000-010-361 Шайба D10 пружинная
68 N000-031-847 Втулка D20х13х14 41 р.
69 N000-031-848 Колесо комбинированое 6″ D150хd13х34 353 р.
70 N000-031-849 Болт D12х47хM10х16 специальный 64 р.
71 N000-031-749 Кран слива конденсата 218 р.
73 N000-013-782 Шайба D8
74 N000-031-795 Ножка
Найдено товаров: 68
1
▲ Наверх
0
8 (925) 663-83-63

Call-центр

пн-вс: 10:00-19:00

НАЙТИ ПО МОДЕЛИ
Введите номер заказа
Введите номер своего заказа, что бы узнать его текущий статус.
Что бы получить доступ к расширенным функциям, пройдите не сложную регистрацию. Зарегистрироваться